

|
Nro |
Muurahainen |
Kuvaus |
|
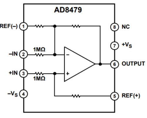
1 |
Ref ( -) |
Negatiivinen vertailujännitetulo. |
|
2 |
−tuksessa |
Tulon kääntäminen. |
|
3 |
+ |
Ei -tuntematon tulo. |
|
4 |
−v_s |
Negatiivinen syöttöjännite. |
|
5 |
Ref (+) |
Positiivinen referenssijännitetulo. |
|
6 |
Tulos |
Lähtö. |
|
7 |
+V_s |
Positiivinen syöttöjännite. |
|
8 |
NC |
Ei yhteyttä.Älä muodosta yhteyttä tähän PIN -koodiin. |

Se AD8479 Erovahvistin on huomattava sen taitavuudestaan korkean syöttömoodin jännitteiden hallinnassa, saavuttaen jopa ± 600 V. Tämä kyky tekee siitä sopivan tarkkuusmittauksiin, joissa tarkkuutta vaaditaan jopa suurten yhteisen moodin jännitteiden läsnä ollessa.Sen suunnittelu varmistaa huomattavan vastuskyvyn ei -toivotulle jännitteelle V ariat -ionille, mikä edistää luotettavaa mittausympäristöä.
• AD8479-tarkkuuseron vahvistimessa on ± 600 V yhteisen moodin jännitealue, kisko-raidan lähtö ja kiinteä vahvistus 1.
• Se toimii laajalla virtalähdealueella ± 2,5 V - ± 18 V, tyypillisen virtalähdevirran ollessa 550 μA.
• Vahvistin tarjoaa erinomaiset vaihtovirtaspesifikaatiot, mukaan lukien vähimmäismoodin hyljintäsuhde (CMRR) 90 dB ja kaistanleveys 310 kHz.
• Lisäksi sillä on korkea tarkkuus tasavirtasuorituskykyyn, maksimaalisella epälineaarisuudella 5 ppm, siirtymäjännitteen ajetaan enintään 10 μV/° C ja enimmäisvahvistuksen ajautuminen 5 ppm/° C.
Tilanteissa, joissa galvaaninen eristäminen ei ole huolenaihe, AD8479 tarjoaa taloudellisen valinnan kalliiden eristämisvahvistimien sijasta.Keskittymällä toimintoihin, sen suunnittelu pitää komponenttien kustannukset kurissa.
Laite navigoi laajalla yleisen tilan jännitteellä ja tarjoaa joustavuutta erilaisilla vaativilla sovelluksilla.Tarjoamalla ohimenevää suojaa jopa ± 600 V: iin, se tukee operatiivista turvallisuutta ja luotettavuutta ympäristöissä, jotka ovat alttiita jännitteen vaihteluille.
AD8479 tarjoaa ominaisuuksia, kuten alhainen siirtymäjännite ja minimaalinen ajautuminen, varmistaen tarkan ja tasaisen suorituskyvyn.Sen huomattava yhteisen tilan hyljintäsuhde (CMRR) laajan taajuusalueen yli lisää sen luotettavuutta.Arvostamme näitä ominaisuuksia, kun tekniikkajärjestelmät, jotka vaativat vakaita ja tarkkoja mittauksia monissa olosuhteissa.
Kompakti 8-LEAC SOIC -pakettiin koteloitu AD8479 erottuu tehokkaasta suunnittelustaan, joka toimii saumattomasti lämpötilojen välillä -40 ° C- +125 ° C.Tämä joustavuus osoittautuu edulliseksi aloilla, joilla laitteet kohtaavat vakavia ja muuttuvia lämpötiloja, jotka ovat yleisiä seuranta- ja tiedonkeruukenttätyökaluissa.
Analog Devices Inc. tarjoaa AD8479arz, instrumentointivahvistin kuvaa tarkkuutta monilla huolellisesti muotoiltuilla teknisillä ominaisuuksilla.Nämä ominaisuudet kuratoidaan tarjoamaan harmoninen sekoitus kohonnut suorituskyky ja poikkeuksellinen luotettavuus.Tässä ovat tekniset tiedot, määritteet ja parametrit Analog Devices Inc. AD8479arz.
|
Tyyppi |
Parametri |
|
Elinkaaren tila |
Tuotanto (viimeksi päivitetty: 1 viikko sitten) |
|
Kosketuspinnoitus |
Tina |
|
Asennustyyppi |
Pintakori |
|
Nastat |
8 |
|
Käyttölämpötila |
-40 ° C ~ 125 ° C |
|
JESD-609-koodi |
E3 |
|
Osien tila |
Aktiivinen |
|
Päätteiden lukumäärä |
8 |
|
Terminaalimuoto |
Lokisiipi |
|
Toimintojen lukumäärä |
1 |
|
Aika@Peak Reflow -lämpötila-max (t) |
30 |
|
Nastaluku |
8 |
|
Toimitusjännite |
36V |
|
Analoginen IC - Muu tyyppi |
Analoginen piiri |
|
Nimellinen toimitusvirta |
550µA |
|
Max -toimitusvirta |
650µA |
|
Vahvistintyyppi |
Yleinen tarkoitus |
|
Enimmäistulojännite |
600 V |
|
Lähtövirta kanavaa kohti |
55maa |
|
Hanki kaistanleveystuote |
130 kHz |
|
Virtalähteen hyljintäsuhde (PSRR) |
90dB |
|
Max -risteyslämpötila (TJ) |
150 ° C |
|
Korkeus |
1,75 mm |
|
Leveys |
4mm |
|
Säteilykovettuminen |
Ei |
|
Lyijyvapaa |
Sisältää lyijyä |
|
Tehtaan läpimenoaika |
8 viikkoa |
|
Asentaa |
Pintakori |
|
Paketti / kotelo |
8-SOIC (0,154, 3,90 mm leveys) |
|
Elementtien lukumäärä |
1 |
|
Pakkaus |
Putki |
|
Pbfree -koodi |
E3 |
|
Kosteuden herkkyystaso (MSL) |
3 (168 tuntia) |
|
Terminaalin sijainti |
Kaksois- |
|
Huippukäyttölämpötila (CEL) |
260 |
|
Toimitusjännite |
15 V |
|
Perusosanumero |
AD8479 |
|
Lähtötyyppi |
Rautatie |
|
Syöttöjännite-min (VSUP) |
2,5 V |
|
Toimitusvirta |
650µA |
|
Lähtövirta |
10a |
|
Läikkyä |
8 V/µs |
|
Yleisen tilan hylkäämissuhde |
90 dB |
|
Jännite - syöttö, yksi/kaksois (±) |
± 2,5 V ~ 18 V |
|
Syöttöjännite (VOS) |
500µV |
|
Neg Supply jännite-NOM (VSUP) |
-15 V |
|
Asetusaika |
11 µs |
|
Ympäristön lämpötila -alue korkea |
125 ° C |
|
Pituus |
5 mm |
|
Saavuttaa SVHC: n |
Ei svhc |
|
ROHS -tila |
ROHS |

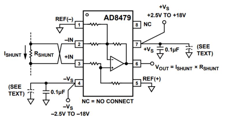
Alla oleva kuva kuvaa AD8479: n käyttämiseen tarvittavia yhteyksiä kaksoisvirtalähteellä.Tässä kokoonpanossa syöttöjännite, joka vaihtelee välillä ± 2,5 V - ± 18 V, käytetään nasta 7 (positiivinen syöttö) ja nasta 4 (negatiivinen syöttö).On suositeltavaa sijoittariat,1 μF -kondensaattorit näiden tapien lähelle kunkin tarjonnan tehokas irrottamista varten.Jos virtalähteellä on matalataajuista kohinaa, ylimääräiset 10 μF elektrolyyttiset kondensaattorit, jotka on sijoitettu myös lähelle syöttötapoja, voi olla suorituskyvyn vakauttaminen.Vaikka yksi 10 μF -kondensaattorisarja voi palvella useita vahvistimia, jokaisella AD8479 -vahvistimella tulisi olla oma erillinen sarja 0,1 μF -kondensaattoria.Tämä varmistaa, että irrotuspiste on sijoitettu suoraan IC -tehopinnoille, optimoimalla vakautta ja minimoi mahdolliset häiriöt.

Pienen shunttivastuksen läpi virtaavan kuormitusvirta, joka tyypillisesti tuotetaan tyypillisesti kuormitusvirta, levitetään nastaan 2 ja nastaan 3, kun edellisessä kuvassa on esitetty polaarisuus positiivisen vahvistuksen saavuttamiseksi.AD8479 mahtuu yhteisen moodin jännitteen differentiaalituloon, joka vaihtelee välillä −600 V-+600 V, maksimaalisen eron jänniteellä ± 14,7 V. Kun se on määritetty kuvan osoittamalla tavalla, laite toimii yksinkertaisena vahvistuksena-1, 1, 1Erottelu aseelle päättyneestä vahvistimesta, jossa lähtöjännite on suoraan verrannollinen shuntinkestävyyden ja šunttivirran tuotteeseen.Tähän ulostuloon viitataan nastaan 1 ja nasta 5: n suhteen. Yksikohtainen vahvistus, nasta 1 (ref−) ja nasta 5 (ref+) tulisi kytkeä matalan impedanssin maatasoon, varmistaen vakaan maadoituksen viitteen ja estämään yhteisen hajoamisen-Mode -hylkääminen.Tappi 8 on kytkentätappi ja sen tulisi pysyä kytkemättä.
AD8479 on yhtenäisyyden ja erottelun ja single-päättyvien vahvistimien, jotka on suunniteltu hylkäämään korkeat yhteisen tilan signaalit 600 V: iin ± 15 V -tarvikkeilla.Se yhdistää tarkkuuden operatiivisen vahvistimen sovitetun vastusverkon kanssa, jonka avulla se voi muuntaa pienet differentiaalisignaalit tarkasti yksipäiseksi lähtöksi, jopa suurten yhteisen moodin jännitteiden läsnä ollessa.Tämä malli tekee siitä ihanteellisen sovelluksille, kuten nykyinen anturi ja korkeajännitteen signaalin hankkiminen.

Korkean yhteisen moodin jännitealueensa saavuttamiseksi AD8479 käyttää sisäistä vastuksen jakajaa, joka on kytketty nastaan 3 ja nastaan 5, joka heikentää ei-invertointisignaalia kertoimella 60. Sisäinen vastus nasta 1 ja PIN: llä ja 2Palautevastus ja palauta sitten vahvistus, jolloin saadaan ykseyden differentiaalivahvistus.Laitteen siirtofunktio annetaan: vout = v (+in) - v (−in).
Laser kiekkojen trimmaus varmistaa tarkan vastuksen sovituksen, mikä mahdollistaa yhteisen moodin signaalien voimakkaan hylkäämisen samalla kun moni-differentiaalitulot.Lähtöjännitteen siirtymisen minimoimiseksi OP AMP: n syöttövaihe sisältää super beeta-transistorit, minimoimalla offset-virran ja lämpötilaan liittyvän ajautumisen pitäen samalla jännitekohina alhaisena johtuen 1/f: n kohinankulmasta alle 5 Hz: n.Lisäksi OP AMP: n avoimen silmukan jännitteen voitto ylittää 20 miljoonaa V/V, PSRR: n ollessa yli 90 dB, mikä parantaa vahvistuksen tarkkuutta ja vakautta.
|
|
AD8479arz |
LR645LG-G |
HV9861ALG-G |
HV9910BLG-G |
AD8479BRZ |
|
Valmistaja |
Analog Devices Inc. |
Mikrosirun tekniikka |
Mikrosirun tekniikka |
Mikrosirun tekniikka |
Analog Devices Inc. |
|
Paketti / kotelo |
8-SOIC (0,154, 3,90 mm leveys) |
8-SOIC (0,154, 3,90 mm leveys) |
8-SOIC (0,154, 3,90 mm leveys) |
8-SOIC (0,154, 3,90 mm leveys) |
8-SOIC (0,154, 3,90 mm leveys) |
|
Nastat |
8 |
8 |
8 |
8 |
8 |
|
Lähtövirta |
10 a |
10 a |
- |
- |
- |
|
Enimmäistulojännite |
600 V |
600 V |
600 V |
450 V |
450 V |
|
Päätteiden lukumäärä |
8 |
8 |
8 |
8 |
8 |
|
Asentaa |
Pintakori |
Pintakori |
Pintakori |
Pintakori |
Pintakori |
|
Saavuttaa SVHC: n |
Ei svhc |
Ei svhc |
Ei svhc |
Ei svhc |
Ei svhc |
|
Huippukämpötila (° C) |
260 |
260 |
260 |
260 |
260 |
Erotesignaalien arvioinnissa sen tarkkuuden ja luotettavuuden vuoksi AD8479: llä on rooli korkeajännitevirran tunnistuksessa.Teollisuusympäristöt luottavat tähän tarkkuuteen valonkulutuksen seuraamiseksi, mikä puolestaan edistää sekä toiminnan tehokkuutta että turvallisuutta.Esimerkiksi sähköverkkojen sisällä Variat -ionien havaitseminen nykyisessä virtauksessa on olennaista ylikuormitusten torjumiseksi samalla kun varmistetaan keskeytymätön tehonjakelu.Hyödyntämme näitä ominaisuuksia ylläpitää huipputehoa hyödyntäen eristysominaisuuksia, jotka suojaavat arkaluontoisia tietoja eri piiriosissa.
Akkutekniikassa sekä jännitteen että virran valppaana valvonta osoittaa tehokkuuden ylläpitämistä ja elinkaarien pidentämistä.AD8479 on erinomainen toimittamalla tarkkoja mittauksia, jotka auttavat hallinnassa erilaisia akkujärjestelmiä.Nämä skenaariot sisältävät sähköajoneuvot, joissa tarkka valvonta tukee sekä paristojen turvallisuutta että tehokkuutta päivittäisen käytön aikana.Tämä komponentti vähentää taitavasti ylikuumenemisriskejä, mikä parantaa akkukennojen elinkaarta minimaalisella interventiolla rutiininomaisen ylläpidon aikana - tekijä, joka korostaa huomattavasti sen luotettavuutta ajan myötä.
AD8479: n edut ovat ilmeisiä moottorin ohjausjärjestelmissä, joissa sen tarkkuus tukee energiatehokasta toimintaa ja lisää moottorin pitkäikäisyyttä.Teollisuuskoneet ja automatisointi vaativat vakaita ja reagoivia hallintamekanismeja vähentämään kulumisia samalla kun lisäävät toimintoja.Yhdistämme usein AD8479: n muihin osiin suunnittelemaan järjestelmiä, jotka saavuttavat vaivattomasti nämä tavoitteet.Huolellisen kalibroinnin avulla komponentti integroituu sujuvasti olemassa oleviin järjestelmiin, mikä parantaa turvallisuusprotokollia ja parantaa toimintatehokkuutta.
Monet järjestelmät vaativat voimakasta signaalin eristämistä tietojen korruption estämiseksi ja turvallisten toimintojen mahdollistamiseksi.AD8479: stä tulee näissä tilanteissa, etenkin televiestinnässä, jossa jatkuvan signaalin eheyden ylläpitäminen on erittäin tärkeää.Eristämällä häiriöille alttiita osia komponentti varmistaa jatkuvan tehokkaan viestintää minimaalisilla häiriöillä.Tämä lähestymistapa vetoaa lääkäreihin, koska se vähentää riippuvuutta yksityiskohtaisista suojamekanismeista, vaan tarjoaa sen sijaan suoraviivaisen, mutta tehokkaan menetelmän tiedon uskollisuuden takaamiseksi eri verkkojen välillä.

Analogiset laitteet ovat olleet vallankumouksellisen integroidun piirin (IC) tekniikan eturintamassa vuodesta 1965 toimittaen muuntavia ratkaisuja elektronisten järjestelmien laajassa maisemassa.Niiden taitavasti suunnitellut tuotteet ovat tunnettuja mittausten kääntämiseksi erittäin tarkkoiksi elektronisiksi signaaleiksi, jotka osoittavat horjumattoman luotettavuuden ja erinomaisen laadun historiaa.
MEISTä
Asiakastyytyväisyys joka kerta.Keskinäinen luottamus ja yhteiset edut.
Kattava opas DS1302 RTC: lle
2024-11-09
Oppaasi NRF52833 RF -lähetin -vastaanottimeen
2024-11-09
Ad8479 on räätälöity tarkkuuden vuoksi juhlittuaan huomattavasta kyvystä käsitellä laajatulota yhteisen moodin jännitealue.Se on erinomainen toimittaessaan tarkkoja differentiaalisignaalimittauksia, vaikka kohtaavat huomattavia yhteisen moodin jännitteitä, jotka ulottuvat ± 600 V.
AD8479 on elinkelpoinen vaihtoehto kalliille eristysvahvistimille, kun galvaanista eristystä ei pyydetä.Tämä päätös vähentää huomattavasti kustannuksia skenaarioissa, joissa tarkka signaalin mittaus priorisoidaan ilman eristyneisyyteen liittyvää ylimääräistä monimutkaisuutta.Tämä komponenttivalinta heijastaa järkevää tasapainoa taloudellisen tehokkuuden ja suorituskyvyn kestävyyden välillä.
Avaruussäästöön 8-LEAC SOIC -pakkaukseen koteloitu AD8479 osoittaa luotettavan suorituskyvyn laajassa lämpötilaspektrissä, joka vaihtelee välillä -40 ° C- +125 ° C.Tämä tekniikka tarjoaa sopeutumiskyvyn ja kestävyyden, mikä tekee siitä tarkkuuden valinnan monille ympäristöolosuhteille, joko korkeamman lämpötilan toiminnassa tai viileämmän asetuksissa.
Sähköposti: Info@ariat-tech.comHK TEL: +852 30501966LISÄTÄ: Rm 2703 27F Ho King Comm Center 2-16,
Fa Yuen St MongKok Kowloon, Hong Kong.